PRODUCTS
Linear Railway and Slider
Carriage and Slider
Linear Railway
Linear Railway Guide Cleaner
Lubrication System
Rack Gear and Pinion
Machine Tool Protection
CNC Machine Bellow Covers
Laser Machine Bellow Covers
Telescopic Steel Covers
Tool Holder and Clamp
Angle Head
Boring Head
Milling Cutter Head
Pull Stud
Tool Bank
Tool Holder
Tool Holder Bracket
Tool Holder Clamp
Tool Holder Pocket
Tool Holder Storage Cabinet
Motors and Drivers
Gearbox
Servo Motors and Drivers
Stepper Motors and Drivers
Spindle
Water Ring
Water Flow Indicator
Spindle Plug
Spindle Fans
Spindle Extend Rod
Spindle Dust Cover
Cables
Brush
Oil Spray Mist System
Auto Tool Changer Spindle
Water Cooling Spindle
Air Cooling Spindle
CNC Controller
Water Chiller
Vacuum Pump and Accessories
Rotary Device
Rotary Center
5 Axis Rotary Device
4 Axis Rotary Device
Collet Chuck and Nuts
Design Software
Ucancam
fastcam
Starcam
Electric Parts
Fiber Laser Cutting Parts
Protective Windows
Laser Remote Controller Panel
Laser Cutting Nozzle
Laser Cleaning Head
Focusing Collimating Lens
Fiber Laser Cutting Head
Ceramic Ring
Capacitance Sensor
Amplifier
CO2 Laser Cutting Parts
Mirrors
Lens and Mirror Support
Laser Tube Support
Laser Power Supply
Focus Lens
Laser Tables
Optical Table
Laser Marking Machine Table
Honeycomb and Blade Table
Quick link
Service Hotline
+86 13006599718
WORKSHOP
OVERSEA WAREHOUSE
PAYMENT &TAX
VIVIDIN
ABOUT US
CONTACT US
‹
›
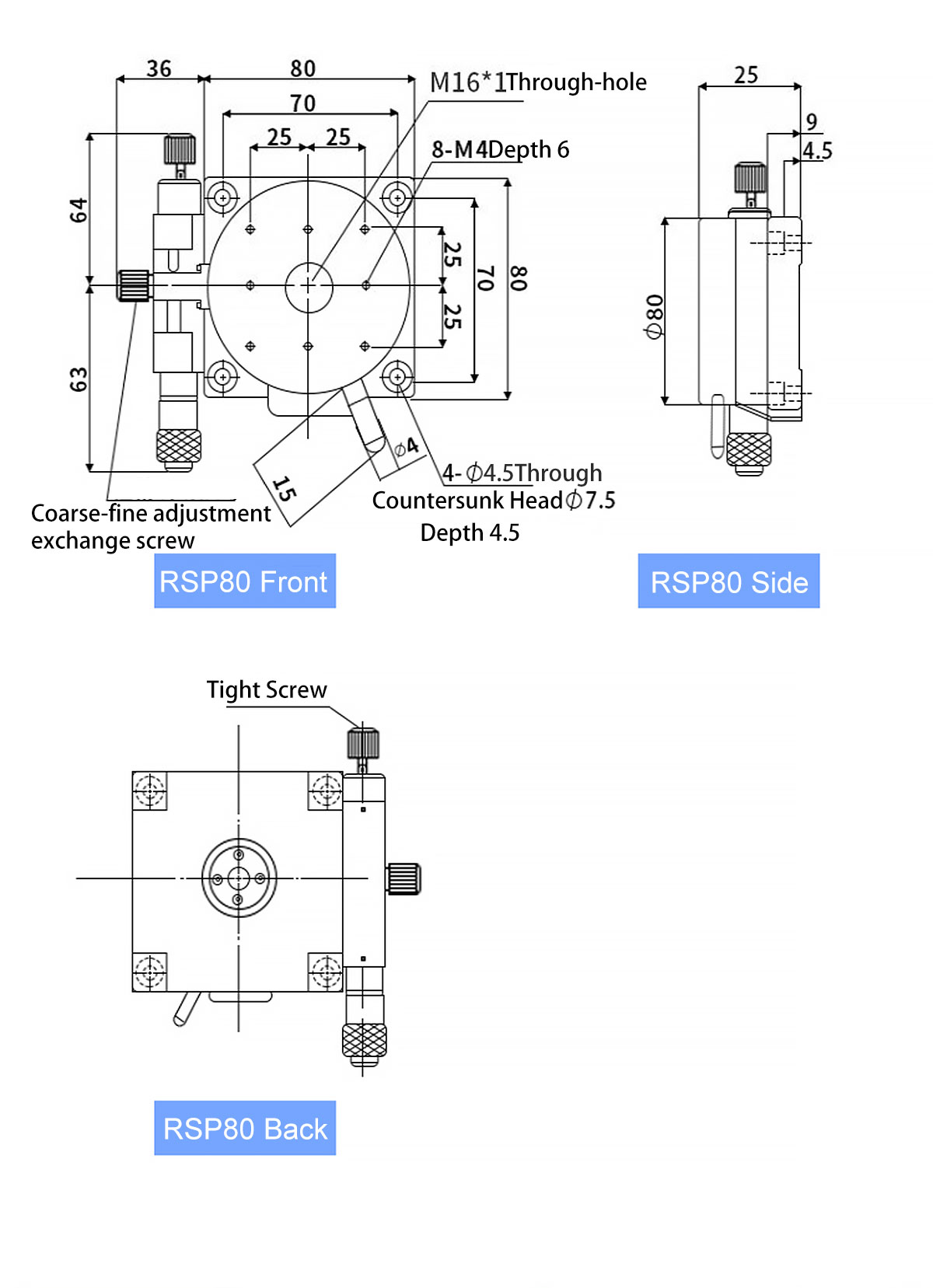
The difference between RS and RSP is different accuracy
PROFESSIONAL CONSULTATION
If you are interested in our products and want to know more details, please leave a message here, we will reply you as soon as we can.